MEA8000 Figures

From CPCWiki - THE Amstrad CPC encyclopedia!
Jump to: navigation, search


Figures for the MEA8000 Speech chip. The Figures were found at http://vesta.homelinux.free.fr/site/wiki/le_synthetiseur_vocal_mea_8000.html - that webpage also contains further (French) info.

Filters

Mea8000 06.jpg Mea8000 07.jpg

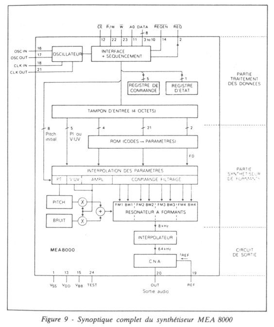
Overall

Mea8000 08.jpg Mea8000 09.jpg

Parameter Translation

Mea8000 10a.jpg Mea8000 10b.jpg Mea8000 11.jpg

DAC

Mea8000 12.jpg

External Amplifier Schematics

Mea8000 13.jpg Mea8000 14.jpg

Control Signals

Mea8000 15.jpg

Interpolation

Mea8000 16.jpg Mea8000 17.jpg

Software Examples

Mea8000 18.jpg Mea8000 19.jpg

Pin Outs

Mea8000 21.jpg

Filters and Noise (English)

  • This image was found on Page 77 in a documented called "The Typophone: A Talking Typewriter", Proefschrift from "Johannes Norbertus Kroon" at "Technische Universiteit Eindhoven". The document refers to tools for blind people in general, and contains some details on the MEA8000 chip.
  • Interresting is that Noise seems to be generated by some ADD/MULTIPLY operations.
  • And, the Normalization (N) stuff implies that there are some (Normalization, means what... Floating Point? Saturation? Interpolation?) adjustments done at various different locations.

MEA8000 Filters.gif